概述:
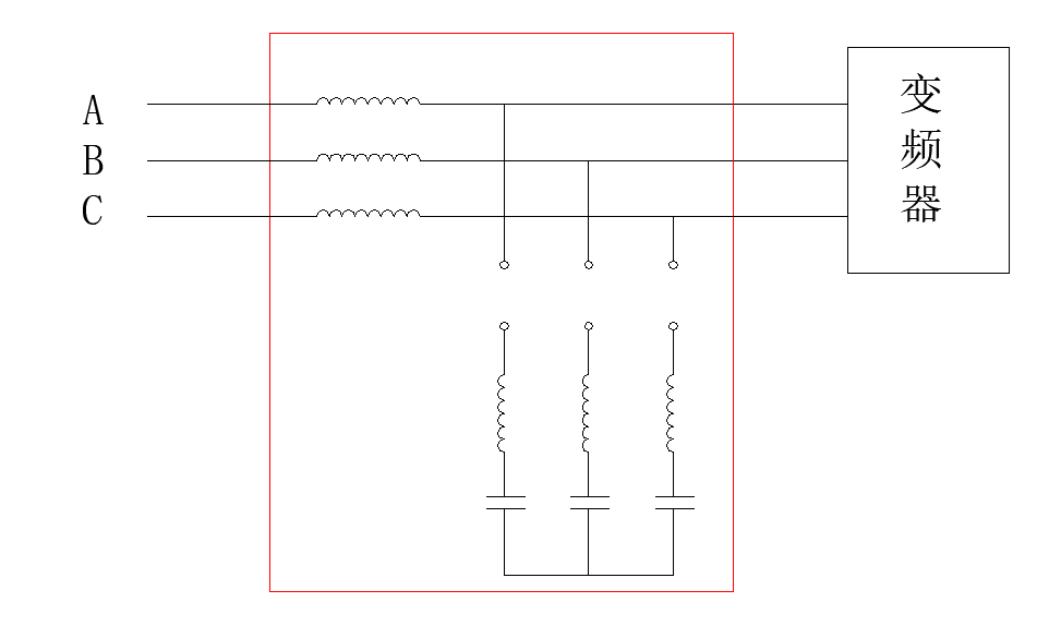
變頻器無源濾波器采進線電抗器與LC無源支路組合原理,組合成濾波補償系統,在吸收收系統中主要的諧波分量的同時,補償無功功率。集補償濾波功能一體,避免變頻器諧波污染公網。
參考標準:
GB10229-1988 電抗器
GB 145493-93電能質量 公用電網諧波
變頻器無源濾波器原理圖:

變頻器無源濾波器型號說明:

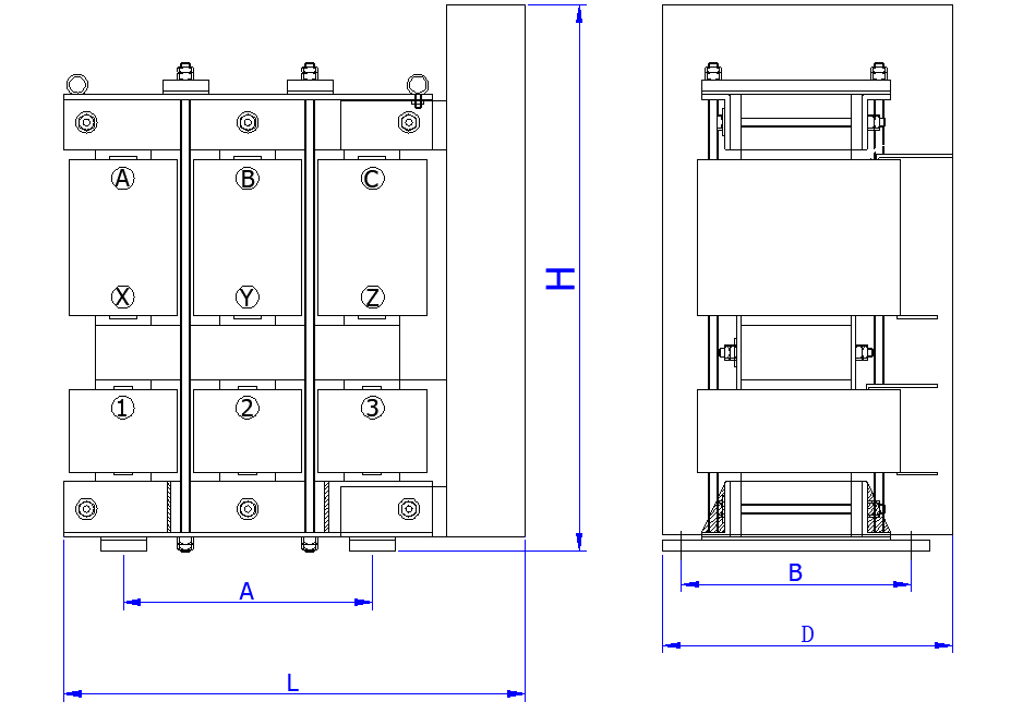
30kW以下變頻器濾波器外形尺寸:


37kW-200kW變頻器濾波器外形尺寸:


變頻器無源濾波器接線說明:
三相電源進線接入端子A、B、C,變頻器進線接端子x、y、z。用戶可根據需要在x1、y2、z3之間加入投切開關,或者直接短接。
訂貨須知:
根據上述選型提供相應型號,特殊型號以及其他電壓等級來電咨詢